Gebruikte opslagtank
- Materiaal: RVS 304
- Toestand: Gebruikte
- Inhoud (liter): 50000 L
- Aantal stuks in stock: 1
| Algemeen | |
|---|---|
| Artikelnummer | 03.44.BR.xx50 |
| Materiaal | RVS 304 |
| Afwerking lassen binnenkant | Geslepen lassen |
| Aantal | 1 |
| Inhoud (liter) | 50000 |
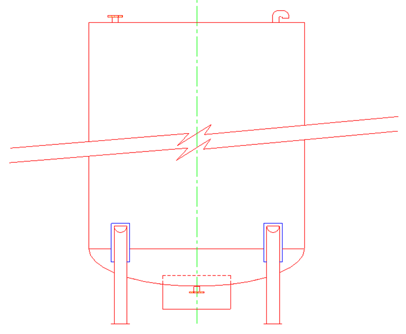
| Type tank | Opslagtank |
| Fixatie | 4 poten |
| Model van de tank | Verticaal |
| Vorm v/d tank | Cilindrish |
| Bodem | Bolle bodem |
| Uitvoering tank | Enkelwandig |
| Aantal mangaten | 1 |
| Positie van de mangat(en) | Zijkant in bodem |
| Afmetingen van mangaten | 510x405mm |
| Tank met totale leegloop? | Ja |
| Type uitlaat(en) | flens |
| Diameter uitlaat (mm) | 80 |
| Vindplaats | B-7711 België |
| Laatst gebruikt in | Voedingsmiddelen |
| Voorziening reiniging tank | Geen |
| Gewicht (kg) | 2300 |
| Toestand | Gebruikte |
| Type plaat | Nee |
| Bouwjaar | 1978 |
| Bijlage 1 | 0344BRxx50_01.pdf |
| Kopkant | |
|---|---|
| Uitvoering kopkant | Gesloten |
| Detail Gesloten kopkant | Vlak |
| Dikte Gesloten kopkant (mm) | 3 |
| Afmetingen | |
|---|---|
| Dikte cilinder (mm) | 3 |
| Dikte bodem (mm) | 4,7 |
| Omtrek (mm) | 9030 |
| Cilindrische Lengte (mm) | 7500 |
| Hoogte bodem (mm) | 500 |
| Totale hoogte (mm) | 3125 |
| Lengte (mm) | 8500 |
| Diameter tank (mm) | 2870 |
| Breedte (mm) | 3075 |
| Isolatie | |
|---|---|
| Isolatie | Nee |
| Opmerkingen | |
|---|---|
| Omschrijving (NL) | werkdruk 0 bar --- werktemp 20°C |

